Абсолютный угловой энкодер ASS58-0 Pepperl+Fuchs
Характеристики датчика ASS58-0
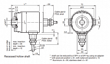
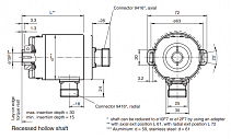
| Диаметр корпуса | 58 мм |
| Тип фланца | Упругий элемент |
|
Тип вала |
Глухой полый вал |
| Диаметр вала | 10 мм / 12 мм |
| Напряжение питания | 4,5...30 В |
| Тип выходного сигнала | SSI / дополнительный инкрементальный сигнал |
| Тип соединителя | Кабель или разъем |
| Вывод соединителя | Радиально или аксиально |
|
Степень защиты от внешней среды |
IP 65 / IP 66 / IP 67 |
|
Диапазон рабочих температур |
от - 40 до + 85°C |
| Максимальная скорость (об/мин) | до 12000 |
|
Ток потребления |
до 180 мА |
|
Вес |
около 0,46 кг |
|
Доступное разрешение импульсов на оборот (имп/об) |
до 16 бит |
Абсолютный угловой энкодер ASS58-0 Pepperl+Fuchs
Области применения абсолютного энкодера ASS58-0:
-
Промышленные роботы и автоматизированные линии
Энкодер ASS58-0 точно определяет положение осей, поворотных платформ и других движущихся частей. Это повышает точность операций, уменьшает количество ошибок и снижает время простоев. -
Логистика и складские комплексы
В автоматизированных системах хранения и транспортировки ASS58-0 применяется для позиционирования тележек, подъёмников и приводов конвейеров. Абсолютное позиционирование обеспечивает безошибочную работу даже при перезапуске системы. -
Машиностроение и металлообработка
Используется в станках, обрабатывающих центрах и карусельных механизмах. Высокая точность энкодера помогает контролировать перемещения инструмента и деталей с минимальными отклонениями. -
Энергетика и тяжелая промышленность
ASS58-0 подходит для работы в агрессивной среде — он устойчив к вибрациям, перепадам температур и запыленности, что делает его востребованным в турбогенераторах, насосных установках и вентиляторах.
| В наличии : | Нет |